

Сапуны – это важные компоненты гидравлических систем, которые предотвращают загрязнение жидкости и повреждение резервуара. Они обеспечивают вентиляцию резервуара, позволяя воздуху свободно проходить, но при этом задерживают пыль, грязь и другие частицы, которые могут повредить систему. В этой статье мы рассмотрим три серии сапунов от MP Filtri: TA46, TAP50 и SAP50.

Сапуны серии TA46 представляют собой компактные металлические сапуны с резьбовым соединением до 1/4" или фланцевым соединением с байонетом. Они обеспечивают максимальную скорость потока до 200 л/мин и имеют фильтрующий элемент из пропитанной смолой бумаги или полиуретана. Сапуны TA46 идеально подходят для использования в тяжелых условиях эксплуатации благодаря своей прочной конструкции.

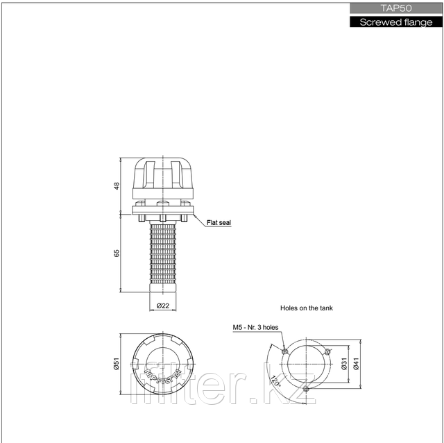
Сапуны серии TAP50 – это компактные пластиковые сапуны с фланцевым соединением с байонетом. Они обеспечивают максимальную скорость потока до 200 л/мин и имеют фильтрующий элемент из пропитанной смолой бумаги или полиуретана. Сапуны TAP50 легкие и устойчивы к коррозии, что делает их идеальным выбором для мобильных гидравлических систем.

Сапуны серии SAP50 – это компактные пластиковые сапуны с резьбовым соединением до 3/4". Они обеспечивают максимальную скорость потока до 200 л/мин и имеют фильтрующий элемент из пропитанной смолой бумаги или полиуретана. Сапуны SAP50 предназначены только для вентиляции и не имеют функции заправки.
| Характеристика | TA46 | TAP50 | SAP50 |
|---|---|---|---|
| Материал корпуса | Металл | Пластик | Пластик |
| Тип соединения | Резьбовое/фланцевое | Фланцевое | Резьбовое |
| Макс. скорость потока | 200 л/мин | 200 л/мин | 200 л/мин |
| Фильтрующий элемент | Бумага/полиуретан | Бумага/полиуретан | Бумага/полиуретан |
| Корзина | Опционально | Опционально | Нет |
| Предохранительный клапан | Нет | Опционально | Опционально |
| Функция заправки | Да | Да | Нет |
При выборе сапуна необходимо учитывать следующие факторы:
Надеемся, эта статья поможет вам выбрать подходящий сапун для вашей гидравлической системы.
Страна производства: Италия.
Год основания: MP Filtri была основана в 1964 году.
Основные рынки сбыта: MP Filtri поставляет свою продукцию по всему миру, включая Европу, Северную Америку, Южную Америку и Азию. Основные клиенты компании находятся в таких отраслях, как мобильная гидравлика, промышленное оборудование и энергетика.
Типы выпускаемой продукции: Компания производит широкий спектр продукции для гидравлических систем: фильтры (высокого давления, низкого давления), фильтрующие элементы, аксессуары для резервуаров (например, индикаторы уровня масла), системы мониторинга загрязнений жидкости и мобильные установки для очистки жидкостей.
Мы будем рады ответить на ваши вопросы и помочь вам выбрать РВД, которые подойдут именно вам.
Работаем по всему Казахстану и СНГ.
Для заказа просим написать в мессенджер.

